Види і принципи дії польових транзисторів для чайників
В електроніці і радіотехніці дуже часто застосовуються напівпровідникові прилади, до яких відносяться і транзистори. Польові транзистори (ПТ) споживають значно менше електричної енергії, завдяки чому вони застосовуються в різних малопотужних пристроях. Крім того, існують моделі, що працюють на великих токах при малому споживанні напруги живлення (U).
Загальні відомості
FET або ПТ – напівпровідниковий прилад, який при зміні керуючого U, регулює I (силу струму). Цей тип транзистора називається ще уніполярним. З'явився він пізніше звичайного транзистора (біполярного), але з ростом технології набув широкого поширення серед цифрових пристроїв завдяки низькому енергоспоживанню. Основне відмінність полягає в методі регулювання I. В біполярному – регулювання I відбувається за допомогою керуючого I, а польовому – за допомогою U (Малюнок 1).

Малюнок 1 – Відмінність польового від біполярного Т.
У ПТ немає I управління, і він має високий вхідним опором (R), яке сягає кілька сотень ГОм (Гіга) або ТОм (террани). Для того щоб дізнатися сфери застосування ПТ, потрібно уважно вивчити його. Носіями заряду є електрони або дірки, а у біполярного – електрони і дірки.
Класифікація і пристрій
ПТ бувають декількох видів, мають різні характеристики і пристроєм. Вони діляться на 2 типу:
- З керуючим p-n – переходом (JFET).
- З ізольованим затвором (MOSFET).
Крім того, кожен з типів буває з N і P каналами. У ПТ з N-каналом носіями заряду є електрони, а у P-канального – дірки. Принцип роботи для P і N аналогічний, відмінність лише в подачі U іншій полярності в якості керуючого.
Пристрій JFET ПТ (малюнок 2) просте. Область N утворює канал між зонами P. До кінців каналу N підключаються електроди, які називаються умовно стоком (С) і витоком (І), так як все залежить від схеми підключення. Затвор (З) – тип електрода, який утворюється при закорачіваніі напівпровідників P. Це обумовлено електричним з'єднанням при впливі U. Біля С і І знаходиться область підвищеної концентрації або легування (N +) електронів, що призводить до поліпшення провідності каналу. Наявність зони легування значно знижує утворення паразитних p-n – переходів, що утворюються при приєднанні алюмінію.

Малюнок 2 – Схематичне пристрій ПТ типу JFET.
MOFSET називається МОП або МДП, також діляться на типи – з вбудованим і індукованим каналами. У кожному з цих типів є моделі з P і N каналами. Польовий транзистор, позначення якого представлено на малюнку 3, іноді має 4 висновками.

Малюнок 3 – Позначення МДП-транзистора.
Пристрій досить просте і показано на малюнку 4. Для ПТ з N-каналом підкладка (покривається SiO2) володіє електропровідністю P-типу. Через шар діелектрика проводяться електроди стоку і витоку від зон з легуванням, а також висновок, який закорачивается з витоком. Шар затвора знаходиться над діелектриком.

Малюнок 4 – Типове пристрій ПТ з індукованим каналом.
Принцип роботи JFET
JFET працює в 2 режимах. Ця особливість пов'язана з тим, що подається на затвор напруга позитивної та негативної складової (рис. 5). При підключенні U> 0 до стоку, а землі до витоку необхідно під'єднати затвор до землі (Uзи = 0). Під час поступового підвищення U між С і В (Uіс) ПТ є звичайним провідником. При низьких значеннях Uіс ширина каналу є максимальною.
При високих значеннях Uіс через канал протікають великі значення сили струму між витоком і стоком (Iіс). Цей стан отримало назву омічний області (ГО). У напівпровіднику N-типу, а саме в зонах p-n – переходу відбувається зниження концентрації вільних електронів.Несиметричне розростання шару зниження концентрації вільних електронів називається збідненим шаром. Розростання трапляється з боку підключеного джерела живлення. Відбувається сильне звуження каналу при підвищенні Uіс, внаслідок якого Iіс зростає незначно. Робота ПТ в цьому режимі називається насиченням.

Малюнок 5 – Схема роботи JFET (Uзи = 0).
При подачі низького негативного U на затворі відбувається сильне звуження каналу і зменшення Iіс. При зменшенні U відбудеться закриття каналу, і ПТ буде працювати в режимі відсічення, а U, при якому припиняється подача Iіс, називається напругою відсічення (Uотс). На малюнку 6 зображено графічне представлення роботи ПТ при Uзи
Цей параметр є підсилювальної здатністю JFET і називається крутизною стоко-затворної характеристики (S). Одиниця виміру – mA / В (міліампер / Вольт).
Особливості роботи MOFSET
При підключенні U між електродами С і І будь-який полярності до MOFSET з індукованим N-каналом струм не потече, так як між легитивности шаром знаходиться шар з провідністю P, яка не пропускає електрони. Принцип роботи з каналом P-типу такий же, тільки необхідно подавати негативне U. Якщо подати позитивний Uзи на затвор, то виникне електричне поле, виштовхує дірки із зони P в напрямку підкладки (рис. 8).
Під затвором концентрація вільних носіїв заряду почне зменшуватися, а їх місце займуть електрони, які притягуються позитивним зарядом затвора. При досягненні Uзи порогового значення концентрація електронів буде значно більше концентрації дірок. В результаті цього відбудеться формування між С і І каналу з провідністю N-типу, за яким потече Iіс. Можна зробити висновок про прямо пропорційної залежності Iіс від Uзи: при підвищенні Uзи відбувається розширення каналу і збільшення Iіс. Цей процес є одним з режимів ПТ – збагачення.

Малюнок 8 – Ілюстрація роботи ПТ з індукованим каналом (тип N).
ВАХ ПТ з ізольованим затвором приблизно такий же, як і з керуючим переходом (рис. 9). Ділянка, на якій Iіс зростає прямо пропорційно зростанню Uіс, є омічний областю (насичення). Ділянка при максимальному розширенні каналу, на якому Iіс не росте, є активною областю.
При перевищенні порогового значення U перехід типу p-n пробивається, і ПТ є звичайним провідником. В цьому випадку радіодеталей виходить з ладу.

Малюнок 9 – ВАХ ПТ з ізольованим затвором.
Відмінність між ПТ з вбудованим і індукованим каналами полягає в наявності між С і І каналу проводить типу. Якщо до ПТ з вбудованим каналом підключити між стоком і витоком U різної полярності і залишити затвор включеним (Uзи = 0), то через канал потече Iіс (потік вільних носіїв заряду – електронів). При підключенні до затвору U 0 виникає електромагнітне поле, яке буде притягувати електрони з стоку, витоку і підкладки. В результаті цього відбудеться розширення каналу і підвищення його провідності, а Iіс збільшиться. ПТ почне працювати в режимі збагачення. Вольт-амперна характеристика (ВАХ) представлена на малюнку 10.

Малюнок 10 – ВАХ ПТ з вбудованим каналом.
Незважаючи на свою універсальність, ПТ мають переваги і недоліки. Ці недоліки випливають з пристрою, способу виконання і ВАХ приладів.
Переваги і недоліки
Переваги і недоліки є умовними поняттями, взятими з порівняння польових і біполярних транзисторів. Одним з властивостей ПТ є високий опір Rвх. Причому у MOFSET його значення на кілька порядків вище, ніж у JFET. ПТ практично не споживають струм у джерела сигналу, який потрібно посилити.
Наприклад, якщо взяти звичайну схему, яка генерує сигнал на базі мікросхеми-мікроконтролера. Ця схема управляє роботою електродвигуна, але володіє низьким значенням струму, якого недостатньо для цих цілей.У цьому випадку необхідний підсилювач, що споживає мале кількості I і генерує на виході струм високої величини. В підсилювачі такого типу і слід застосувати JFET, що володіє високим Rвх. JFET має низький коефіцієнт посилення по U. При побудові підсилювача на JFET (1 шт.) Максимальний коефіцієнт посилення буде близько 20, при використанні біполярного – кілька сотень.
В підсилювачах високої якості застосовуються обидва типи транзистора. За допомогою ПТ відбувається посилення по I, а потім, за допомогою біполярного відбувається посилення сигналу по U. Однак ПТ мають ряд переваг перед біполярними. Ці переваги полягають в наступному:
Висока Rвх, завдяки якому відбувається мінімальне споживання I і U.- Висока посилення по I.
- Надійність роботи і стійкість: при відсутності протікання I через затвор, в результаті чого керуюча ланцюг затвора ізольована від стоку і витоку.
- Висока швидкодія переходу з одного стану в інший, що дозволяє застосовувати ПТ на високих частотах.
Крім того, незважаючи на широке застосування, ПТ володіють декількома недоліками, що не дозволяють повністю витіснити з ринку біполярні транзистори. До недоліків відносяться наступні:
- Підвищений падіння U.
- Температура руйнування приладу.
- Споживання більшої кількості енергії на високих частотах.
- Виникнення паразитного транзистора біполярного типу (ПБТ).
- Чутливість до статичної електрики.

Підвищений падіння U виникає через високий R між стоком і витоком під час відкритого стану. ПТ руйнується при перевищенні температури за Цельсієм 150 градусів, а біполярний – 200. ПТ володіє низьким енергоспоживанням тільки на низьких частотах. При перевищенні частоти 1,6 ГГц енергоспоживання зростає по експоненті. Виходячи з цього, частоти мікропроцесорів перестали рости, а робиться наголос на створенні машин з великою кількістю ядер.
При використанні потужного ПТ в його структурі утворюється ПБТ, при відкритті якого ПТ виходить з ладу. Для вирішення цієї проблеми підкладку закорачивается з І. Однак це не вирішує проблему повністю, так як при стрибку U може статися відкриття ПБТ і вихід з ладу ПТ, а також ланцюжки з деталей, які підключені до нього.
Істотним недоліком ПТ є чутливість до статичної електрики. Цей недолік виходить від конструктивної особливості ПВ. Шар діелектрика (ізоляційний) тонкий, і його дуже легко зруйнувати за допомогою заряду статичної електрики, який може досягати сотень або тисяч вольт. Для запобігання виходу з ладу при впливі статичної електрики передбачено заземлення підкладки і закорочування її з витоком. Крім того, в деяких типах ПТ між стоком і витоком варто діод. При роботі з інтегральними мікросхемами на ПТ слід застосовувати антистатичні заходи: спеціальні браслети і транспортування в вакуумних антистатичних упаковках.
схеми підключення
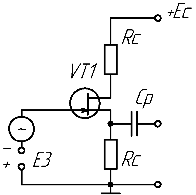
ПТ підключається приблизно так само, як і звичайний, але є деякі особливості. Існує 3 схеми включення польових транзисторів: з загальними витоком (ОІ), стоком (ОС) і затвором (ОЗ). Найчастіше застосовується схема підключення з ОИ (схема 1). Це підключення дозволяє отримати значне посилення по потужності. Однак підключення з ОІ використовується в низькочастотних підсилювачах, а також має високу вхідний ємнісний характеристикою.

Схема 1 – Включення з ОІ.
При включенні з ОС (схема 2) виходить каскад з повторювачем, який називається Істоковий. Перевагою є низька вхідна ємність. Його застосовують для виготовлення буферних розділових каскадів (наприклад, пьезодатчик).

Схема 2 – Підключення з ОС.
При підключенні з ОЗ (схема 3) не відбувається значного посилення по току, коефіцієнт посилення за проектною потужністю нижче, ніж при підключеннях з ОІ та ОС. Однак за допомогою цього типу підключення можливо повністю уникнути ефекту Міллера.Ця особливість дозволяє збільшити максимальну частоту посилення (посилення НВЧ).

Схема 3 – Включення з ОЗ.
Таким чином, ПТ набули широкого застосування в області інформаційних технологій. Однак не змогли витіснити з ринку радіодеталей біполярні транзистори. Це пов'язано, перш за все, з недоліками ПТ, які криються в принципі роботи та конструктивної особливості. Головним недоліком є висока чутливість до полів статичної електрики.