
Однолінійна схема електропостачання – це ефективний і простий спосіб відображення системи розподілу електроенергії. Її основна мета – передати всю необхідну інформацію про електричні мережі в чіткому та легкозрозумілому форматі. За допомогою цієї схеми можна швидко оцінити стан системи, ідентифікувати проблеми і прийняти рішення щодо відновлювальних заходів.
Однолінійна схема електропостачання дає можливість моніторити роботу всіх елементів системи – генераторів, трансформаторів, розподільних ліній і підстанцій, а також показує зв’язок між ними. Вона забезпечує високу точність та надійність вимірювання енергії, відображає режими роботи системи і вказує на потенційні ризики та вразливості.
Одним з основних преимуществ однолінійної схеми є її простота та зручність. Вона складається з однієї лінійної діаграми, на якій зображені всі елементи системи. Це дозволяє оперативно аналізувати стан устаткування і миттєво виявляти проблеми або відхилення від стандартів. Додатково, такий підхід сприяє швидкому реагуванню на випадки аварій і максимальній продуктивності обладнання.
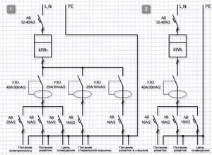
Однолінійна схема електропостачання

Однолінійна схема електропостачання є важливим елементом при проектуванні та плануванні електричних мереж. Вона є графічним представленням всього електропостачального обладнання та компонентів, з’єднаних між собою проводами і кабелями.
Однолінійні схеми дозволяють докладно відобразити структуру електропостачання та взаємозв’язок між всіма його елементами. Це допомагає розглянути систему у цілому, спростити розуміння її роботи, виявити потенційні проблеми та вдосконалити її ефективність.
Переваги використання однолінійних схем електропостачання:
- Зрозумілість: однолінійна схема надає зручний та легкий спосіб візуального представлення електропостачальної системи.
- Компактність: вся інформація про систему знаходиться на одному аркуші паперу або в одному файлі, що дозволяє забезпечити максимальну зручність під час проектування та експлуатації.
- Ефективність: розуміння структури системи дозволяє виявити слабкі місця та оптимізувати роботу всієї системи.
Для створення однолінійної схеми використовуються схематичні символи для позначення різних елементів системи. Наприклад, генератори, трансформатори, реле, вимикачі, захисні пристрої та інші елементи мають свої унікальні символи, які використовуються при створенні схеми.
Однолінійна схема електропостачання є незамінним інструментом для розробників та інженерів електроенергетики. Використовуючи цей підхід, вони можуть здійснити проектування електричних систем більш ефективно та зменшити ризики помилок під час будівництва та експлуатації.
Основні принципи схеми
Однолінійна схема електропостачання базується на декількох основних принципах:
- Простота та зрозумілість: Однолінійна схема подає інформацію про електричні лінії, устаткування та їх з’єднання одним простим рядком. Вона створена таким чином, щоб стати зрозумілою для будь-яких фахівців, які працюють з електричним обладнанням.
- Простота розширення: Схема надає можливість простого додавання нових елементів та зміни існуючих без необхідності відновлення увесь малюнок.
- Мінімальні втрати: Однолінійна схема дозволяє забезпечити мінімальні втрати електричної енергії, що дуже важливо для оптимізації роботи системи.
- Ефективний моніторинг: Завдяки ясному та лаконічному представленню інформації, однолінійна схема дозволяє оперативно контролювати роботу системи електропостачання та швидко виявляти будь-які несправності чи відхилення.
Ці основні принципи роботи однолінійної схеми дозволяють зробити процес планування, розробки та експлуатації електропостачання більш продуктивним та ефективним.
Преимущества використання
1. Ефективність: Однолінійна схема електропостачання дозволяє ефективно планувати і керувати розподілом електричної енергії в будівлі або споруді. Вона дозволяє забезпечити оптимальне використання електроенергії та знизити витрати на її споживання.
2. Безпека: Однолінійна схема електропостачання дозволяє забезпечити безпеку електричних мереж і обладнання. Вона дозволяє виявляти та усувати несправності в роботі електроустановок, що допомагає запобігти виникнення аварій та зберегти життя і здоров’я людей.
3. Гнучкість: Однолінійна схема електропостачання дозволяє швидко та легко змінювати та модернізувати електричне обладнання. Вона дозволяє забезпечувати гнучкість у виборі джерел постачання електроенергії та пристроїв керування.
4. Енергоефективність: Однолінійна схема електропостачання сприяє енергоефективному використанню електричної енергії. Вона дозволяє оптимізувати споживання електроенергії відповідно до потреб будівлі або споруди.
5. Легкість управління: Однолінійна схема електропостачання дозволяє легко керувати електричними мережами і обладнанням. Вона дозволяє швидко і просто виконувати перемикання на інші джерела постачання електроенергії та керувати режимами роботи електричних пристроїв.
6. Економічність: Однолінійна схема електропостачання дозволяє знизити витрати на будівництво і експлуатацію електричних мереж і обладнання. Вона дозволяє економити електроенергію та знижувати витрати на її споживання.