Меню Закрити

Види і типи схем які вони бувають, відмінності між видами і типами, як їх читати

Які бувають види і типи схем і як ними користуватися

Все більше і більше використовується всіляких пристроїв і пристосувань. Часом вони бувають складними, і щоб правильно все зібрати, а потім ще й ремонтувати, потрібен документ, що пояснює, як все влаштовано і взаємодіє між собою. Для цієї мети складаються схеми. Існують різні види і типи схем, і кожна з них несе свою інформацію.

Інформація, укладена в схемах

Схема – це документ, в ній графічно представлена ​​інформація про виріб у вигляді умовних позначень. Такі відомості допомагають виготовляти і експлуатувати пристрій, виробляти профілактичні роботи, знаходити несправності і ремонтувати їх. Хоча існує безліч галузей виробництва, переробки і споживання, в основному вони користуються однотипними схемами. Це можливо завдяки єдиним нормам.

Схеми можуть складатися як на паперовому носії, так і в електронному вигляді. За якими ознаками йде класифікація видів – залежить від діяльності: Наприклад, електрична та оптична. Схеми поділяються за принципом складу і зв'язку: гідравлічна, газова, ділення, і кожному виду присвоюється свій літерний код:

Основні види

Таких видів схем не так вже й багато. В основному вони охоплюють певну область, Але можуть використовуватися різними галузями:

  • В – вакуумна. У цьому виді використані прилади та пристрої, що працюють або виробляють вакуум;
  • Г – гідравлічна. Використовується рідина, необов'язково вода.
  • Е – ділення. Основна частина ділиться на складові. Наприклад, випромінювання розбивається на видимі і невидимі області спектра. Також використовується для визначення складу вироби;
  • До -кінематична. З'єднання механічних частин і їх зв'язків;
  • Л – оптична. Для відображення оптичного зв'язку при роботі зі світловим променем;
  • П – пневматична. Показує складові частини виробу, що працює на повітрі;
  • Р – енергетична. Взаємозв'язок енергетичних пристроїв або їх складових частин;
  • С – комбінована. Щоб скласти повну картину використовуються різні види;
  • Х – газова. Пристрої, пов'язані з газом (пропан, бутан і т. Д.), Але не з повітрям;
  • Е – електрична. Пристрої, що працюють на електричному струмі.

Класифікація за типами

кожен вид ділиться на типи в залежності від того, для якої мети вона складається. На відміну від видів, типи кодуються цифрами:

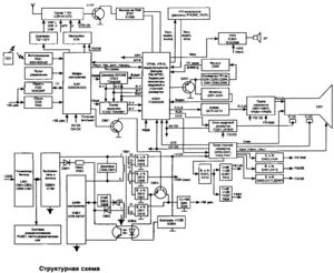
  • 1 – структурна. Показує взаємозв'язок між функціональними частинами. Наприклад, комп'ютер складається з: блоку живлення, материнської плати, жорсткого диска і приводу. Для кожного пристрою свій прямокутник, а що до чого підключається – показано за допомогою ліній;
  • 2 – функціональна. Показує зв'язок всередині функціонального пристрою. У тому ж блоці живлення можна схематично показати зв'язок між трансформатором, випрямлячем, керуючим елементом;
  • 3 – принципова (повна). Показує всі елементи, що входять до пристрій і то, як вони взаємодіють;
  • 4 – з'єднання. Пояснює, як зв'язуються між собою функціональні пристрої. У комп'ютері це з'єднання окремих пристроїв за допомогою проводів і кабелів;
  • 5 – підключення. Графічно пояснює, як підключається пристрій;
  • 6 – загальна. Пояснює, як взаємодіють між собою окремі частини комплексу;
  • 7 – розташування. Допомагає отримати уявлення про розташування частин відносно один одного. Це може бути, наприклад, фотографія материнської плати;
  • 0 – об'єднана. Включає в себе кілька типів одного виду.

Що конкретно можна дізнатися зі схеми – допоможе зрозуміти більш докладний розгляд декількох типів електричних схем.

Приклади електричних схем

Є два схожих виду – енергетичні та електричні. Перші пов'язані з виробництвом і передачею електроенергії споживачам, другі ставляться до споживачів енергії.

Такий тип повністю пояснює роботу електроприладу або пристрою і має код Е3. На аркуші паперу або в електронному вигляді чертятся умовні позначення. Це можуть бути як радіодеталі, наприклад: резистори, конденсатори, транзистори і т. П., Так і пристрої: вентилятори, трансформатори, динаміки.

Кожному з них присвоюється свій порядковий номер, причому тільки по своїй групі. Припустимо, йде нумерація резисторів, на схемі вони позначаються літерою R. Позначення починається з лівого верхнього кута вниз і йде вправо. До цієї букві підставляються цифри 1,2 і т. Д. На цій же схемі конденсаторів, які позначаються літерою С, також присвоюються свої номери починаючи з 1 і в тому ж порядку.

Деякі складні пристрої можуть мати кілька цифр. За наявності кількох реле, то кожному привласнюється свій номер, а їх контакти спочатку кодуються номером реле, а потім своїм. Припустимо, зображена друга пара контактів реле № 1, тоді поруч з ними буде стояти 1.2. Для першої пари контактів реле № 2 код буде 2.1.

Для зручності читання пристрою, які не перебувають на платі, все одно відображаються в загальному малюнку, але обводятся пунктирною лінією. Якщо пристрій або частина його знаходиться біля краю малюнка, то воно може бути виведено за межі за допомогою штрихової лінії.

Кожен елемент схеми має свій літерний код і основні дані. Так, умовний знак резистора, крім букви R і порядкового номера, має схематичний код потужності і цифровий код опору. По зображенню можна визначити до якої групи він відноситься: постійний, регулювальний або підлаштування.

В процесі роботи такі схеми допомагають точно знаходити місця прокладки проводів, особливо якщо вони знаходяться під штукатуркою; виявляти пошкодження, перевіряти цілісність проводів.