Несправності пральної машинки Bosch: ремонт своїми руками
Сама по собі пральна машинка являє собою складний механічний пристрій з не менш складним електронним блоком управління. Побутова техніка від фірми Bosch відома своєю надійністю і якістю, але, як і будь-який пристрій, вона теж може вийти з ладу. Це може бути пов'язано як з порушенням правил експлуатації, так і в зв'язку з природною деградацією частин і елементів машинки.
Щоб уміти виконувати професійний ремонт пральних машин своїми руками, необхідно не тільки розбиратися в принципі роботи пристрою, а й мати різноманітний інструмент, володіти знаннями в електроніці, вміти читати електричні схеми. А ось здійснити нескладний ремонт під силу кожному. Головне – точно визначити несправний вузол, в цьому допомагає функція самодіагностики, вбудована в пральну машину.
Пристрій пральної машинки
Незалежно від марки пральної машинки пристрій моделей різних виробників, будь то Атлант або Бош, практично не відрізняється. До основних вузлів відносять:
корпус;- барабан;
- насос;
- блок керування;
- нагрівальний елемент (ТЕН);
- двигун.
Після включення машинки і вибору програми насос починає накачувати воду в барабан через клапан затоки. Барабан являє собою ємність, виконану з нержавіючого матеріалу, з безліччю отворів по всій поверхні. Через ці отвори вода і проникає всередину ємності, досягаючи потрібного рівня. За рівнем води стежить прессостат. Барабан пов'язаний через ремінну передачу або безпосередньо підключається до двигуна. Відповідно до обраної програми, двигун починає свою роботу, змушуючи барабан робити обертові рухи. Спереду барабан з'єднаний через гумову манжету з баком.
Після закінчення циклу прання починається злив води. Основним вузлом системи зливу є зливна помпа. До виходу помпи приєднується спеціальний шланг, через який і зливається вода з пристрою. Останнім етапом роботи машинки є віджимання. Для його здійснення двигун починає крутити барабан з великою швидкістю. Під дією відцентрової сили речі, що знаходяться всередині, притискаються до поверхні барабана. Вода видавлюється з речей і виходить через отвори в барабані. Видавлені вода накопичується на дні бака, звідки викачується помпою. Роботою насоса і двигуна управляє блок електроніки.
Нагрівання води в пристрої відбувається за допомогою термоелектричного елемента. Він має вигляд зігнутої трубки, усередині якої знаходиться токопроводящая нитку в середині шару ізолятора.
Крім основних вузлів, важливими елементами в пральних агрегатах є датчики. Вони дозволяють електроніці контролювати процеси, що проходять при пранні. У машинках використовуються наступні датчики:
Прессостат. Може виконуватися як механічного типу, так і електронного. Його завдання – контролювати рівень води.- Термостат. Розташовується внизу бака і призначений для відстеження температури води.
- Таходатчіка. Вимірює обертів двигуна.
- Пристрій блокування люка. Являє собою електромеханічний пристрій. Повідомляє про відкриття люка і блокує його при запуску прання.
Пошук несправностей
Якщо раптом з якихось причин потрібно провести ремонт пральної машини Bosch, то в першу чергу необхідно розібратися в природі несправності. Якщо поломка не глобальне, потрібно запустити режим самодіагностики. На жаль, не у всіх моделях вона присутня, наприклад, в Bosch WFF 1200 її немає.
Для запуску самодіагностики потрібно звернутися до інструкції про експлуатацію, але найчастіше застосовується наступна комбінація дій:
Залишаючи бак порожнім, закрити кришку люка.- Перемикач вибору програм встановити з позиції "Виключено" в режим «Віджим».Як тільки почнуть моргати світлодіоди, потрібно натиснути і утримувати кнопку «Обороти віджиму». Світлодіод повинен згаснути, а потім знову закліпала.
- Перемикач програми встановлюється в позицію «Злив», кнопка «Обороти віджиму» відпускається.
- Використовуючи перемикач програм, вибирається вузол, який буде тестуватися. Для кожної серії машинок номер позиції відповідає своєму вузлу. Після закінчення тесту буде видана інформації, пройшов він чи ні.
Але найчастіше самодиагностика досить поверхнева і може включати перевірку не всіх вузлів пральної машини Бош. Інструкція по експлуатації містить тільки початковий опис та при серйозній поломці навряд чи допоможе. Хоча поряд з нею випускається і сервісне керівництво з докладним описом пристрою і можливими рішеннями для усунення поломок. У вільному доступі її складно знайти, так як призначена вона для сервісних центрів.
можливі поломки
Якщо поверхневий огляд не зміг виявити проблему, а працездатність системи підключення до водопроводу, каналізації і електрики не викликає сумнівів, то доведеться здійснити розбирання машинки для отримання доступу до несправним вузлів. Основними причинами викликають несправності пральної машини Бош можуть бути наступні фактори:
- Вода не зливається. Коли цикл прання проходить без помилок, а вода не зливається, необхідно переконатися в справності зливного насоса. Обстежити його і зливний фільтр на засмічення. Перевірити стан контактів підключення насоса до електроживлення, переконатися в працездатності датчика рівня води. Можливо, вийшов з ладу терморегулятор.
Барабан не обертається. Якщо при включенні не відбувається обертання барабана, то в першу чергу необхідно спробувати при вимкненому пристрої провернути його рукою. Він повинен обертатися з невеликим зусиллям. Якщо цього не відбувається, потрібно перевірити стан гумової манжети. Досить часто її засмічення приводить до пересихання гуми, і вона фізично починає заважати обертанню барабана. Далі винуватим може бути розтягнення приводного ременя або вихід з ладу самого двигуна. У разі вільного обертання в автономному режимі і відмови при підключенні вірогідні неполадки в платі електроніки.- Сторонній шум. Коли при пранні виникає сторонній шум всередині барабана, то найчастіше винні підшипники двигуна, який потрапив в проміжок між баком і барабаном сторонній предмет, несправність амортизатора або противаги. Цілком можливо, що машинка неправильно виставлена по рівню.
- Чи не набирається вода. Причинами, що викликали це, є несправність запірного клапана або порушення в роботі помпи. Вихід з ладу регулятора рівня води теж не рідкість при даній поломки. Несправність плати управління не дає команду на забір води. Якщо раптом під машинкою збирається вода, потрібно перевірити шланги і їх підключення на герметичність, підтягнути хомути, досліджувати ущільнювач на дверцятах. Переконатися в свободі зливу води в каналізацію.
- Ні нагріву, програми з нагріванням зупиняються. Велика ймовірність в несправності термонагревательного елемента, але не виключена поломка термостата. Також рекомендується перевірити місця приєднання електричної мережі до ТЕНу.
Припустивши причину поломки і її серйозність, якщо необхідно, доведеться приступити до розбирання пральної машини Bosch.
Розбирання пральної машини
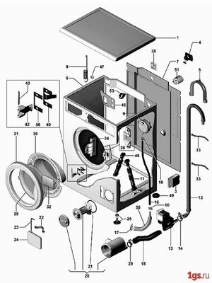
Щоб провести самостійно розбір пристрою, знадобиться ряд інструментів: викрутки хрестоподібні 4-6 мм, шліцьові 4-10 мм, ключі гайкові 8/9 і 18/19, пасатижі. Розбирання починається зі знімання захисного бокового кожуха. Для цього необхідно відкрутити гвинти по периметру і рухом на себе висунути бічну кришку. Після зняття лівої боковини відкривається доступ до головних блоків агрегату.Отримавши доступ до елементів пристрою, можна провести обслуговування, перевірити вузли або провести заміну вийшли з ладу частин.
Перед тим як зняти нагрівальний елемент, його можна перевірити на місці. Для цього після звільнення його від клем за допомогою тестера змиритися опір, воно повинно бути близько 20-50 Ом. Для його заміни треба відкрутити гайку на стягуються болтами, після чого натиснути на болт, утапливая його всередину. Обережно піддягаючи по периметру плоскою викруткою зовнішню частину Тена, витягти його з бака. Полагодити нагрівач у разі обриву спіралі неможливо, тому потрібно його замінити.

Якщо необхідно відремонтувати мотор, то буде потрібно його зняти. Перед зняттям двигуна знімається ремінь приводу, від'єднується клемна колодка, далі викручуються гвинти і двигун знімається з полозів. У механізмі двигуна потрібно перевірити щітки. Вони, як правило, розташовані зовні корпусу і щільно притиснуті до колектора. При їх знос втрачається потужність мотора, і машинка автомат починає давати збої. Особливо це проявляється при віджиманні.
Однією з найбільш часто зустрічаються поломок помпи пральної машини є вихід з ладу крильчатки. Перед тим як приступити до вилучення помпи, можна відкрити зливний фільтр, розташований на передній частині машини, і очистити відсік від сміття, після цього покриття крильчатку рукою. Якщо прийнято рішення знімати помпу, то доведеться відкрутити пластикову деталь, яка з'єднує насос, зливний патрубок і зливний шланг. Для цього відкручуються кріпильні гвинти.
Сама трудомістка операція – це витяг бака. Буде потрібно зняти верхню кришку. Для цього попередньо доведеться звільнити блок електроніки. Зазвичай він прикручується гвинтами і по периметру утримується кліпсами. Після від'єднуємо бункер дозатора шляхом підведення його вгору і, пассатижами послаблюючи хомут, витягуємо патрубок. Знімаємо верхній противагу і інші частини машинки.
Практично для зняття барабана потрібно розібрати всю машинку. У баку слабка деталь, це підшипник. Щоб дістатися до нього, потрібно встановити бак сальником вгору і вибити підшипник за допомогою зубила і молотка. Сучасні моделі випускаються з литим підшипником, т. Е. Окремо від бака замінити його не вийде.
Наприклад, одна з перших машинок, що з'явилася в продажу Bosch WFC 1600 WMV 3800A / Maxx 4, має знімні підшипники, їх заміна в ній можлива, але дуже трудомістка.
Ремонт електронного блоку
Такий ремонт необхідно проводити, маючи спеціальні знання. У разі підозри на електронний блок можна витягти плату з пластикового контейнера, попередньо відключивши всі роз'єми, і уважно оглянути місця пайки. Нерідко через вібрації машинки вони руйнуються. Також при попаданні пральних порошків або в разі протікання можлива поява нальоту на платі текстоліту. В цьому випадку рекомендується промити плату спиртовим розчином.
Однією з важливих елементів управління машинкою є програматор. Інша його назва – командоаппарат. Ця деталь відповідає за вибір режимів. Вона може бути механічного виду або електронного. У разі електронного виду використовується мікропроцесор. Механічний програматор теж має тенденцію виходити з ладу. При його розбиранні необхідно дотримуватися обережності, так як всередині є пружинки. Програматор складається з набору шестерень і сінхромотора. В принципі командоаппарат влаштований досить складно, і без досвіду не слід його розбирати. Особливу увагу потрібно звернути на контактну групу, нерідко вона окислюється, що призводить до збоїв в роботі.
профілактичне обслуговування
Складні механічні пристрої не можуть працювати вічно, але відкласти їх поломку можливо. Для цього слід дотримуватися технічні умови по експлуатації і проводити профілактичні заходи: