Меню Закрити

Підключення і пуск електродвигуна через зірку на трикутник

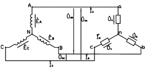
Підключення обмоток електродвигуна за схемою «зірка» та «трикутник»

Відомо широке застосування електродвигунів асинхронних, з'єднаних по «зірці» і «трикутнику». Дані підключення є на кожному виробництві, «зіркою» підключаються трифазні двигуни, генератори, трансформатори. «Трикутник» використовується в основному в двигунах тривалого циклу пуску і роботи. А також використовується в схемах з'єднань трансформаторів, в основному, де присутня симетрична навантаження.

Використовується спільне включення в роботу обох підключень «зірки» і »трикутника» при пуску потужних електродвигунів. Пуск починається зі «зірки» з подальшим перемиканням релейного схемою по досягненню оборотів на схему «трикутник». Продовжує працювати двигун тривалий час на «трикутнику».

З'єднання ланцюгів за схемою »трикутник»

Дане з'єднання називається трикутником тільки тоді, коли обидва кінці обмоток з'єднані один з одним. Підключати по трикутнику необхідно, коли напруга мережі підходить для такого споживача. Пуск електродвигунів за схемою «трикутник» виражається великими значеннями пускових струмів і не дуже добре позначається на довговічності роботи обмоток. Але при роботі з даного підключення потужність дорівнює заявленої в паспорті електроспоживачів, що часом необхідно.

Схема «Трикутник» поділяється на «Розімкнутий» і «відкритий». Відмінність двох видів укладено в тому, що розімкнутий трикутник є з'єднанням трикутником з однією точкою, розірваної на споживач. А відкритий відрізняється тим, що одна обмотка замінюється споживачем.

З'єднання трифазних ланцюгів за схемою »зірка«

Наступне з'єднання називається «зіркою», якщо кінці обмоток зчеплені в один вузол, що має назву «нейтральної точки», друга назва «нейтраль». Підключення двигуна за таким типом потужність двигуна стане нижче. Підключення даних двох типів передбачає при якій напрузі працюватимуть ваші обмотки. Зазвичай, на двигуні відзначається напруга для певного способу підключення, а також відповідні обороти і потужність.

Наприклад: візьмемо мережу 380 на 220, підключення зіркою, напруга на споживачі 220В. Якщо підключити за схемою трикутник напруга на обмотках буде 380, виходячи з напруги, потужність P = UI побільшає. (На практиці звичайний двигун згорить, тому як напруга стане 380В. Однак, 220/127 для даного двигуна трикутник нормальний режим, зірка робота з втратою потужності).

У разі роботи споживачів за «зірці» дуже важливо щоб не було «перекосу фаз». Якщо нейтраль має, наприклад: поганий контакт, то виникне різниця – несиметричність навантаження, при якій один споживач опиниться під певним напруженням. Дана різниця потенціалів залежить від розподілу навантаження в той момент, коли відбулося отгоранія нейтрального проводу. Від цієї різниці потенціалів споживачі в квартирах і опинялися під напругою, чому міг згоріти старенький телевізор або вийти з ладу холодильник. Думаю багатьом відомі такі історії в минулому.

Окремі випадки застосування описаних схем підключення

Застосування схем включення зіркою:

  • Типовий спосіб застосування цього включення використовується для роботи асинхронних трифазних електродвигунів. Де три обмотки мають рівну навантаження. При поганий захист від різниці струму в обмотках пристрою дуже швидко виходять з ладу. Для захисту і плавного пуску останнім часом часто використовують частотні приводу. Ці частотники використовують одну схему підключення для різних швидкостей. Швидкість змінюється шляхом зміни частоти напруги прикладеного до обмоток, що набагато подовжує термін служби двигунів.
  • Трифазні трансформатори для живлення споживачів фазною напругою. При потужності мереж 36кв і більш середню точку прийнято заземлювати для зменшення вартості ізоляції.
  • Трубчасті електронагрівачі використовуються у всіляких котлах, бойлерах, всіляких підігрівачів.
  • Харчування споживачів освітлення і житлових квартир по чотирьох провідній схемі. Необхідно розподіляти фази на більш-менш рівномірне навантаження. Напруга між фазами одно 380В, між фазою і нейтраллю 220В. До чьотирьох схемою підключення додають зазвичай п'ятий провід заземлення. Він грає роль захисту від ураження електричним струмом людей і захисту обладнання від коротких замикань.

Здійснення схем включення трикутником:

  • Перший найпоширеніший спосіб використання схеми в асінхроннікі. Для механізмів вимагають частих включень відключень, звичайно ж, ця схема не підходить. Але для механізмів з важким стартом і працюють довгий час потрібна дана схема з'єднання обмоток. Для частих включень доцільніше використовувати частотні приводи або пристрої плавного пуску. На практиці в промисловості все рідше використовується дане підключення.
  • Також використовують підключення в мережах живлення освітлення і квартир.

Багато питань виникає щодо відзначення з'єднання зірки і трикутника. Відмінність, на мій погляд, полягає в конструктивній організації мережі живлення. Для двигуна перший спосіб кращий в тих ланцюгах і механізмах, де існує часте спрацьовування. Зледует пам'ятати, при такому підключенні необхідно враховувати напругу харчування зазвичай 380В. У другому ж випадку облік напруги живлення полягає в наявності 220. При такому підключенні двигун має високі пускові струми, що зношує його набагато швидше.

Рідко зустрічається в промисловості з'єднання трикутник. Більш часто малопотужні двигуни працюють саме по зірці. Потужні двигуни в більшості своїй комплектуються частотними перетворювачами і тоді ймовірність відмови недешевого, виготовленого під індивідуальне замовлення, двигуна зводиться майже до нуля.

Потужні двигуни гідравліки, пневматики використовують на металургійному підприємстві схему «зірка». Імовірно, для виключення роботи двигуна на знос. Двигуни використовуються в агресивному середовищі, тому використовуються три ступені захисту: Перша – плавкі запобіжники на кожну фазу, запобіжник повинен бути напівпровідникових (більш швидко перегорає і не дає нагрітися обмоткам); друга – захисний автомат, який, як правило, спрацьовує в кількох випадках, якщо не перегорів запобіжник; третій захист – по температурі. Термодатчик підключається через реле нижчого напруги, яке при спрацьовуванні датчика розриває реле в ланцюзі харчування обмоток.