Підключення інфрачервоних обігрівачів через терморегулятор
Інфрачервоні обігрівачі розрізняються за способами монтажу, методам експлуатації та ціною. Вони є більш економічними, застосовуються в різних типах будівель і споруд. Ці моделі дуже популярні в даний час. Відновлення мікроклімату приміщення до потрібної температури здійснюється швидко. За допомогою променів, що виходять від приладу, відбувається віддача тепла предметам в кімнаті. Монтаж обігрівачів здійснюється на стелю, стіни або під покриття підлоги (у вигляді спеціальної плівки). Всі види пристроїв зовні розрізняються, а принцип їх роботи майже однаковий.
переваги терморегуляторів
Для зменшення споживання електроенергії, можливості контролю, підтримки заданої температури в приміщенні при віддачі тепла знаходять застосування терморегулятори різних видів. Всі вони у вільному доступі є в продажу.
Якщо установка приладів здійснюється без використання терморегулятора, енергоефективність приладу знижується, так як при розрахунку номінальної потужності на певний обсяг приміщення приймається потужність, що дозволяє обігріти приміщення в найлютіші морози. Коли температура за вікном підвищується, прилад працює безперервно, використовуючи всю свою потужність.
Необхідність включення терморегулятора в електричний ланцюг до приладу є не тільки економічно вигідною, а й дає можливість вибрати режим для настройки необхідної температури в приміщенні.
Принцип дії датчика
В основі терморегулятора використовується термостат, який виконує функцію замикання і розмикання електричного кола в залежності від температури, контрольованої датчиком, або биомеханическая пластина.
При збільшенні температури в приміщенні змінюється опір датчика в меншу сторону. При досягненні опору встановленого рівня (рівного обраної температурі), відбувається включення регулятора, і електричний ланцюг розмикається. Після цього відбувається поступове зниження температури в приміщенні, Опір датчика змінюється в більшу сторону, знову відбувається спрацьовування регулятора, електричний ланцюг замикається, тобто включається обігрівач, і підтримується встановлена в приміщенні температура.
Терморегулятори бувають механічні та електронні, пристрої мають наступні характеристики:
- механічний терморегулятор – це невелика коробочка з пластика, на лицьовій стороні якої, встановлений механічний регулятор у вигляді кола. За допомогою регулятора, можна змінювати температуру. Зміна температури знаходиться в межах +5. 30 ° С. У різних моделях шкала розподілу може відрізнятися від +1 ° С до + 2 ° С і т.д. На корпусі встановлено вимикач і світлодіодний індикатор, який свідчить про включеному стані приладу.
- Електронний терморегулятор має більше функціональних можливостей у порівнянні з механічним і є більш складним обладнанням. Прилад оснащений рідкокристалічним дисплеєм. Управління в залежності від моделі здійснюється як за допомогою кнопок, так і через сенсорний пристрій.
Види електронних регуляторів
Прилади діляться на 2 групи: програмовані і непрограмовані.
У програмованих пристроях користувачеві доступна настройка часу. Є можливість задати інтервал, коли необхідно проводити нагрівання: люди йдуть з приміщення, А терморегулятор може підтримувати температуру на заданому рівні.
У продажу є електронні моделі з можливістю управління на відстані, т. Е. Дистанційно, за допомогою смартфона. Для цієї мети на смартфон встановлюється спеціальний додаток. Такі прилади є дуже дорогими.
установка приладу
Незалежно від типу обраного варіанту для правильної роботи приладу при підключенні необхідно вибрати відповідне місце для його установки.
Необхідно звернути увагу на наступні чинники:
- на прилад не повинні падати прямі сонячні промені;
- забороняється установка поблизу джерел тепла;
- висота до 1,5 м від рівня підлоги;
- під основу термостата закладається утеплює (це потрібно для виключення неправильного визначення температури в приміщенні від холодної стіни);
- в одному приміщенні проводиться установка одного регулятора;
- висока вологість шкідлива для приладу.
В іншому випадку вимір температури не буде відповідати фактичній температурі в приміщенні. Нагрівання для обраної температури буде неможливий.
схеми підключення
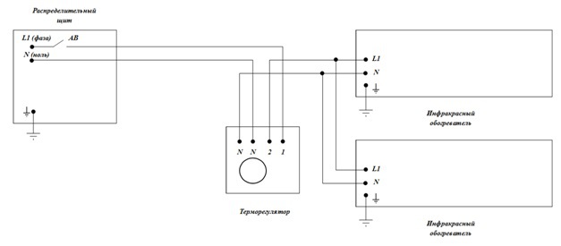
Варто розглянути схеми підключення інфрачервоних обігрівачів через терморегулятор, в цьому допоможе нескладна схема (рис. 1, 2). В термостаті розташовані 4 клеми: вхід – нейтраль і фаза, вихід-нейтраль і фаза.
Підключення одного обігрівача:
- від автоматичного вимикача, встановленого в розподільному щиті, підключається двожильний провід (0, L1) до вхідних клем регулятора (0, L1);
- вихідні клеми регулятора (0, L1) підключаються двожильним проводом до обігрівача.

Підключення 2 обігрівачів: Підключення до першого обігрівача, виконується аналогічно представленої вище схемі, другий обігрівач підключається паралельно до першого.

Складна схема (рис. 3). Підключення декількох обігрівачів:
- вхід регулятора підключається до мережі;
- вихідні клеми регулятора (0, L1) підключаються до котушки магнітного пускача;
- від комутованих контактів пускача підключаються кілька обігрівачів, в залежності від номінального струму пускача можна розрахувати максимальну кількість підключаються обігрівачів.

Перераховані вище схеми підключення, підійдуть до різних типів обігрівальних приладів, змонтованих на стінах і стелі.
Особливості теплої підлоги
Обігрівач, змонтований під покриттям підлоги, підключається інакше.
Під покриття підлоги укладається спеціальна плівка. Цей тип приладу має назву «тепла підлога». Для контролю нагріву плівки підключаються терморегулятори з датчиком температури, Розташованим на відстані від приладу. Датчик монтується поруч з плівкою в підлозі. Сам терморегулятор встановлюється на висоті більше 0,5 м.
Утеплювальний матеріал під основу регулятора монтувати не потрібно. Контроль температури здійснюється виносним датчиком, встановленим поблизу статі. Терморегулятор має 6 клем. До двох клем так само, як і в представленому вище варіанті (на рис. 1), підключається двожильний провід до нейтрали і фазі від розподільного щита, до 2 іншим клем підключається «тепла підлога», і ще до 2 клем – виносний датчик.