Меню Закрити

Електронний трансформатор пристрій, принцип роботи і переробка в блок живлення своїми руками

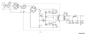
Переробка електронного трансформатора в блок живлення

Люмінесцентні та галогенні лампи поступово відходять у минуле, поступаючись місцем світлодіодним. У світильниках, де вони застосовувалися, залишилися непотрібні електронні трансформатори, які відповідали за розпалювання цих ламп. Здається, що непотрібному – місце на смітнику. Але це не так. З цих трансформаторів можна зібрати потужні блоки живлення, які зможуть харчувати електроінструменти, світлодіодні стрічки і багато іншого.

Пристрій електронного трансформатора

Звичні нам масивні трансформатори не так давно стали замінюватися на електронні, які відрізняються дешевизною і компактністю. Розміри електронного трансформатора настільки малі, що його вбудовують в корпусу компактних люмінесцентних ламп (КЛЛ).

Всі такі трансформатори зроблені за однією схемою, відмінності між ними мінімальні. В основі схеми лежить симетричний автогенератор, інакше званий мультивібратором.

складаються вони з діодного моста, транзисторів і двох трансформаторів: узгоджувального і силового. Це основні частини схеми, але далеко не все. Крім них, в схему входять різні резистори, конденсатори і діоди.

Принципова схема електронного трансформатора.

У цій схемі постійний струм з діодного моста надходить на транзистори автогенератора, які накачують енергію в силовий трансформатор. Номінали і тип всіх радіодеталей підібрані так, щоб на виході виходило строго певна напруга.

Якщо включити такий трансформатор без навантаження, то автогенератор не запуститься і напруги на виході не буде.

Збірка за схемою своїми руками

Електронний баласт можна купити в магазині або знайти у себе в засіках, але найцікавішим варіантом буде збірка електронного трансформатора своїми руками. Збирається він досить просто, а більшість необхідних деталей можна наколупав в зламаних блоках харчування і в енергозберігаючих лампах.

  • Необхідні компоненти: Доданий міст зі зворотним напругою не нижче 400 В і струмом не менше 3 А чи чотири діода з такими ж характеристиками.
  • Запобіжник на 5 А.
  • Симетричний динистор DB3.
  • Резистор 500 кОм.
  • 2 резистора 2,2 Ом, 0,5 Вт.
  • 2 біполярних транзистора MJE13009.
  • 3 плівкових конденсатора 600 В, 100 нФ.
  • 2 тороїдальних сердечника.
  • Провід з лаковим покриттям 0,5 мм ².
  • Провід в звичайній ізоляції 2,5 мм ².
  • Радіатор для транзисторів.
  • Макетна плата.

Починається все з макетної плати, на яку ви будете встановлювати все радіокомпоненти. На ринку можна купити два види плат – з одностороннім металізацією на коричневому стеклотекстолите.

І з двосторонньої наскрізний, на зеленому.

Від вибору плати залежить, скільки часу і сил ви витратите на збірку проекту.

Коричневі плати – жахливої ​​якості. Металізація на них виконана настільки тонким шаром, що в деяких місцях на ній видно розриви. Припоєм вона змочується погано, навіть якщо використовувати хороший флюс. А все, що вдалося припаяти – відривається разом з металізацією при найменшому зусиллі.

Зелені – стоять в півтора-два рази дорожче, але зате з якістю все в порядку. Металізація на них з товщиною проблем не має. Всі отвори в платі Залужжя на виробництві, завдяки чому мідь, що не окислюється і проблем при пайку не виникає.

Знайти і купити ці макетке можна як в найближчому радіомагазині, так і на аліекспрессе. У Китаї вони стоять в два рази дешевше, але доставки доведеться почекати.

Радіодеталі вибирайте з довгими висновками, вони вам знадобляться при монтажі схеми. Якщо ви збираєтеся використовувати колишні у вживанні деталі, то обов'язково перевіряйте їх працездатність і відсутність зовнішніх пошкоджень.

Єдина деталь, яку вам доведеться зробити самим – це трансформатор.

Узгоджувальний потрібно намотувати тонким дротом. Кількість витків в кожній обмотці:

Не забувайте фіксувати обмотки скотчем, інакше вони розповзуться.

Силовий трансформатор складається всього з двох обмоток. Первинну намотуйте проводом 0,5мм², а вторинну – 2,5 мм ². Первинна нерухомість і вторинка складаються з 90 і 12 витків відповідно.

Для пайки краще не використовувати «дідівські» паяльники – ними запросто можна спалити чутливі до температури радіоелементи. Візьміть краще паяльник з регулюванням потужності, вони не перегріваються, на відміну від перших.

ранзістори заздалегідь встановіть на радіатори. Робити це на вже зібраної платі – вкрай незручно. Збирати схему потрібно від маленьких деталей до великих. Якщо ви спочатку встановіть великі, то вони будуть втручатися при пайку маленьких. Враховуйте це.

При складанні дивіться на принципову схему, всі з'єднання радіоелементів повинні відповідати їй. Просуньте висновки деталей в отвори на платі і зігніть їх в потрібному напрямку. Якщо довжини не вистачає, удлиняйте їх проводом. Трансформатори після пайки приклейте до плати епоксидною смолою.

Після складання підключіть до висновків пристрою навантаження і переконайтеся в тому, що воно працює.

Переробка в блок живлення

Трапляється так, що акумулятори електроінструменту виходять з ладу, а можливості купити новий немає. В такому випадку допоможе адаптер у вигляді блоку живлення. З електронного трансформатора після невеликого доопрацювання можна зібрати такий перехідник.

Деталі, які знадобляться для переробки:

  • Терморезистор NTC 4 Ом.
  • Конденсатор 100 мкФ, 400 В.
  • Конденсатор 100 мкФ, 63В.
  • Плівковий конденсатор 100 нФ.
  • 2 резистора 6,8 Ом, 5 Вт.
  • Резистор 500 Ом, 2 Вт.
  • 4 діода КД213Б.
  • Радіатор для діодів.
  • Тороїдальний сердечник.
  • Провід перетином 1,2 мм².
  • Шматочок монтажної плати.

Перед роботою перевірте, раптом ви забули якусь деталь. Якщо всі деталі на місці, починайте переробку електронного трансформатора в блок живлення.

До виходу діодного моста Підпаяйте конденсатор 400 В, 100 мкФ. Для зменшення зарядного струму конденсатора впаяти терморезистор в розрив силового проводу. Якщо ви забудете це зробити, при першому ж включенні в мережу у вас згорить діодний міст.

Від'єднайте другу обмотку трансформатора і замініть її перемичкою. Додайте на обох трансформаторах по одній обмотці. На погодився зробіть один виток, на силовому – два. З'єднайте обмотки між собою, упаявши в розрив проводу два паралельно з'єднаних резистора на 6,8 Ом.

Для виготовлення дроселя намотайте на сердечник 24 витка проводу 1,2 мм² і закріпіть його скотчем. Потім на макетної платі зберіть по схемі залишилися радіодеталі і підключіть збірку до основної схемою. Не забудьте встановити діоди на радіатор, При роботі під навантаженням вони сильно гріються.

Закріпіть всю конструкцію в будь-якому зручному корпусі і блок живлення можна вважати зібраним.

Після остаточного складання включите пристрій в мережу і перевірте його роботу. Воно повинно видавати напругу в 12 вольт. Якщо блок живлення їх видає – ви зі своїм завданням впоралися на відмінно. Якщо він не заробив, перевірте, раптом ви взяли неробочий трансформатор.